中 文
English
全国统一销售热线:
0577-27868700
首 页
公司简介
产品展示
资质荣誉
在线订购
客户留言
营销网络
联系我们
产品列表
各类手车
户内高压真空断路器
户外高压真空断路器
产品展示
首页
>> 产品展示
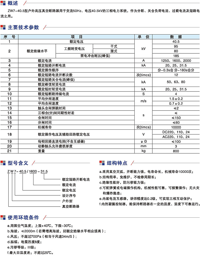
ZW7-40.5型户外真空断路器
Copyright ©
卓维电力科技有限公司(ZEALWELL).
All Rights Reserved.
电话:0577-27868700 传真:0577-27868975 地址:中国 · 浙江 温州市柳市镇吕岙工业区 E-mail:
zealwell@zealwell.cn
友情链接:
防爆箱
浙ICP备120
25084号-1
真空断路器的灭弧原理
卓维电气产品选型
各类手车
户内高压真空断路器
户外高压真空断路器